冷却塔系统规范要求主机尺寸尽量匹配,以适应负载的变化,但此时连接冷凝器、水泵和冷却塔是很麻烦的。
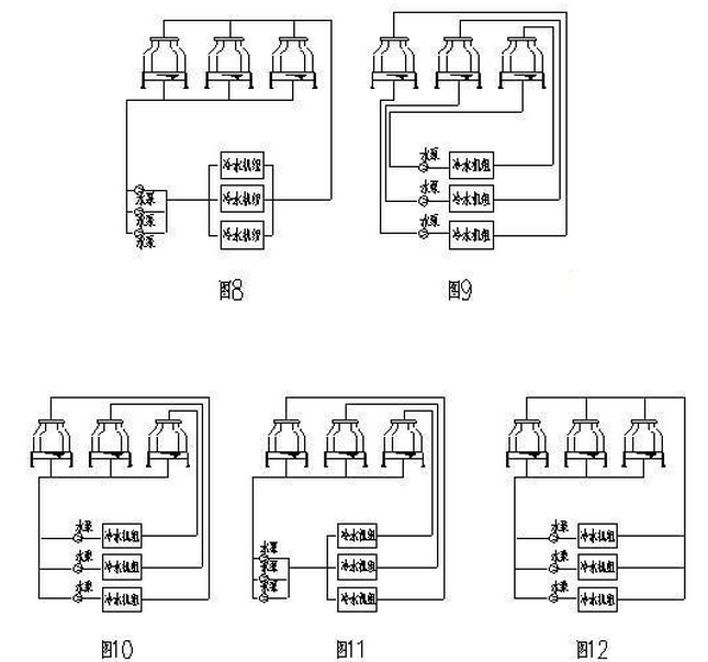
工程中,多台冷却塔并联运行时,一般有5种配管方式,见图8-12。

图9 管道布置最为复杂,占用空间大,但流量分布合理,运行可靠性高。 图8、图10、图11中的管线布置简单,但经常出现溢流补水现象。 主要原因是:
1、一般在塔的进水管上安装电动阀,出水管上不装。 未运行的塔的进水阀关闭,但出水管已连接。 单台机组运行时,所用冷却塔的水盘水位升高,造成溢流,而其他不运行的冷却塔的水盘不断补水。
2、各塔配水不平衡,主要是管道布置问题。 有的塔进水管阻力小,出水管阻力大; 进水多进水少,导致溢出。 相反,有些塔会不断补充水。
3、当几个不同大小的冷却塔连接在一起时,塔内水位不一样,水盘低的塔难免会溢出。
基于以上问题,设计时要注意平衡问题,包括水位平衡和水量平衡。 联合取水法通常采取以下措施:
1、图8中,各冷却塔进出水管均装有电动阀,与水泵、冷却塔风机联锁。
2、图8、图10、图11中各冷却塔(包括大小不同的塔)的水位应控制在同一高度,高度差不大于30mm。 塔间安装冷却塔平衡管,加大出水管公用管段直径。
3、对于图8和图11,为了平衡每台冷水机的水量,可以在每台冷水机的出水口安装一个平衡阀。 图12 流水线布局简单,系统流程易于平衡。 k8凯发公司经常采用这种方法。


以上就是工业冷却塔维修厂家广东k8凯发节能空调为大家带来(多台冷却塔并联使用的注意事项)介绍,希望对大家有所帮助,更多冷却塔资讯请继续关注k8凯发吧。
广东k8凯发节能空调是专业从事冷却塔销售以及配件维修主要销售金日冷却塔及配件维修,良机冷却塔及配件维修,马利冷却塔及配件维修,BAC冷却塔及配件维修,斯频德,k8凯发,明新,菱电等冷却塔配件以及维修,广东k8凯发节能空调期待与您的合作!
本文链接://guojiujie.com/news/203.html
凯发k8国际首页登录-k8.com网站
联 系 人:
王经理
联系电话:
13728927868
公司邮箱:
km23055667@163.com
公司地址:
深圳市龙华区龙华大道2125号卫东龙商务大厦A座1916A